The Airtech PCX positive displacement rotary claw design is air cooled, dry-running and non-contacting. These features, along with quality construction results in a pressure pump that is extremely high in reliability and a long service life. The non-contact design eliminates internal wear and maintenance. No water levels to check due to air-cooled operation and no sealing or lubricating oil is needed in the pumping chamber.
The claw shaped rotors inside the pump housing rotate in opposite directions, compressing the air and discharging through a silencer to the atmosphere. The two rotors are synchronized by gears that are oil lubricated to facilitate a long gear life.
Model Features
- Non-Contact Design
- Air Cooled and Direct Driven
- Oil-Free (Dry) Pumping Chamber
- Simple, Modular Construction
- Suitable for Variable Speed Applications
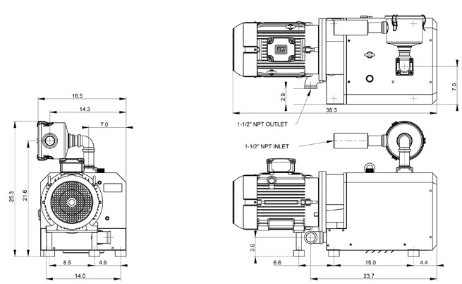
PCX105 Specifications
Model |
CFM |
Pressure
|
HP |
RPM |
Voltage |
Oil Capacity
|
Avg. Noise
|
Inlet/OutletConnections |
Weight
|
| PCX105 | 70.6 | 20.3/31.9 | 7.5/10 | 3450 | 208-230/460 | 0.5 qts. | 80 | 1.5″ | 313 |
*Dependent on motor availability

