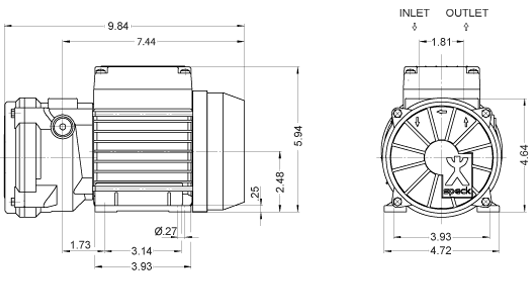
The 3AVI 8 liquid ring vacuum pump is a close-coupled model that offers a compact solution compared to conventional liquid ring pumps. The 3AVI is a 0.7 hp liquid ring vacuum pump with 3400 RPM. This model doesn’t require belts or couplings, reducing issues with wear, alignment and belts. Used in heavy duty applications with two models available.
Model Features
- More compact than conventional liquid ring pumps
- No belts, no couplings – alleviating problems with wear, alignment and belts
- Standard models have bronze housing, bronze impeller & PTFE flap valve
- Designed for heavy duty applications
- Manufactured to ISO-9001 Standards
Selection & Ordering Data
Model |
Rated HP |
CFM |
RPM |
Voltage Range |
Phase |
Max Amps |
Seal Water (GPM) |
Weight (lbs.) |
Inlet/Outlet |
| 3AVI 8.0006 | 0.7 | 6.7 | 3400 | 230 | 1 |
3.1 |
0.5 | 20 |
3/8″ |
| 3AVI 8.0013 | 0.7 | 6.7 | 3400 | 208-230/460 | 3 | 2.4/1.4 | 0.5 | 20 | 3/8″ |


