The 3AV 30 liquid ring vacuum pump is a compact close-coupled vacuum pump with a rated 1.5 hp and 3450 RPM. Standard liquid ring pump models include cast iron housing with stainless steel impeller and PTFE flap valve. The single stage, variable discharge port design provides efficient operation from 1 through 262 cfm for vacuum levels up to 29″Hg.
Model Features
- More compact than conventional liquid ring pumps
- No belts, no couplings – alleviating problems with wear, alignment and belts
- Standard models have cast iron housing, Stainless Steel impeller & PTFE flap valve
- Other materials of construction available
- Designed for heavy duty applications
- Manufactured to ISO-9001 Standards
- Single Face Mechanical Seal arrangement is standard
Selection & Ordering Data
Model |
Rated HP |
CFM |
RPM |
Voltage Range |
Max Amps |
Seal Water (GPM) |
Sound level dB(A) |
Weight (lbs.) |
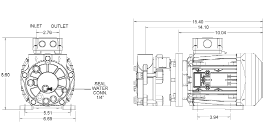
Inlet/Outlet |
| 3AV 30 | 1.5 | 18 | 3450 | 208-230/460 | 4.9/3.4 | 1.0 | 68 | 44 |
1″ |

