Model Features

  • More compact than conventional liquid ring pumps
  • No belts, no couplings – alleviating problems with wear, alignment and belts
  • Standard models have cast iron housing, Stainless Steel impeller & PTFE flap valve
  • Other materials of construction available
  • Designed for heavy duty applications
  • Manufactured to ISO-9001 Standards
  • Single Face Mechanical Seal arrangement is standard

Selection & Ordering Data

Model
Rated HP
CFM
RPM
Voltage Range
Max Amps
Seal Water (GPM)
Sound level dB(A)
Weight (lbs.)
Inlet/Outlet
3AV 155 7.5 86 1750 208-230/460 25.5/11.5 5.0 65 183
1 1/2″

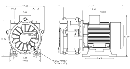
3AV 155 Dimensions (Inches)

3av155-dimensions

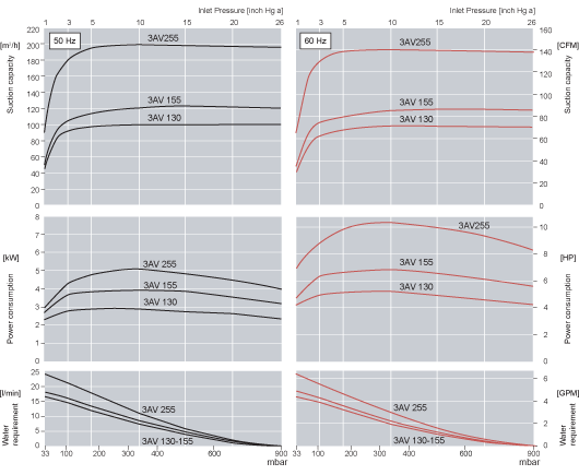
3AV Series Capacity

3AV Series Capacity