Model Features
- Maintenance-Free Operation
- Cooler Outboard Bearing Design
- Environmentally Friendly Oil-Free Technology
- Extremely Quiet Operation
- CE Compliant Standard Brushless DC Motors
- Rugged Die Cast Aluminum Construction
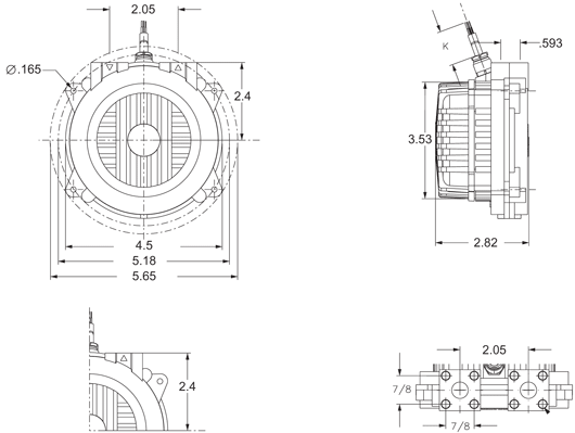
Selection & Ordering Data - Type 3BA1002-AB22 and AA22
Order
|
Electronics |
Connection |
Control
|
Speed (rpm) |
Max Output (W) |
Input Current (A) |
Input Voltage (V) |
Sound Pressure Level
|
Weight (lbs.) |
| 3BA1002-AB22 | Integrated | Flange | 0-10 | 115 | 7 | 24 | 48 | 2.6 | |
| 10.0 7.1 5.1 3.0 |
11,500 7,000 5,000 3,000 |
||||||||
| 3BA1002-AA22 | Integrated | Flange | 0-10 | 115 | 14 | 12 | 48 | 2.6 | |
| 10.0 7.1 5.1 3.0 |
11,500 7,000 5,000 3,000 |


