Model Features
- Cooler running, outboard bearing provides maintenance-free operation
- Environmentally friendly oil-free technology
- Extremely quiet operation
- All motors are standard TEFC with Class F insulation, UL recognized, CE Compliant
- Explosion-Proof motors available
- Custom construction blowers are available
- Rugged die cast aluminum construction
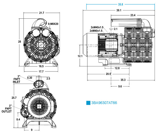
Selection & Ordering Data - Type 3BA9630
Curve
|
Order
|
Hz |
HP |
Input
|
Input
|
Permissible total differential pressure2 |
Sound pressure level3 |
Weight (lbs.) |
|||
Vacuum inch H2O |
Compressor
|
dB(A) |
|||||||||
| 3~ 50/60 Hz IP55 insulation material class F | |||||||||||
| K | 3BA96307AT66 | 50 | 14.75 | 200D… 240D | 345Y…415Y | 38.0D | 22.0Y | -245 | 217 | 71 | 472 |
| K | 3BA96307AT66 | 60 | 16.90 | 220D… 250D | 415Y…460Y | 38.0D | 22.0Y | -237 | 156 | 77 | 472 |
| K | 3BA96307AT66 | 87 | 25.50 | 345D… 415D | 39.5D | -120 | 28 | 84 | 472 | ||
| L | 3BA96307AT86 | 50 | 24.80 | 200D… 240D | 345Y…415Y | 57.4D | 33.0Y | -245 | 409 | 71 | 522 |
| L | 3BA96307AT86 | 60 | 28.40 | 220D… 250D | 415Y…460Y | 57.6D | 33.3Y | -237 | 349 | 77 | 522 |
| L | 3BA96307AT86 | 87 | 42.90 | 345D… 415D | 64.0D | -200 | 269 | 84 | 522 | ||



