Model Features
- Cooler running, outboard bearing provides maintenance-free operation
- Environmentally friendly oil-free technology
- Extremely quiet operation
- All motors are standard TEFC with Class F insulation, UL recognized, CE Compliant
- Explosion-Proof motors available
- Custom construction blowers are available
- Rugged die cast aluminum construction
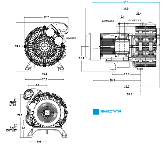
Selection & Ordering Data - Type 3BA9620
Curve
|
Order
|
Hz |
HP |
Input
|
Input
|
Permissible total differential pressure2 |
Sound pressure level3 |
Weight (lbs.) |
|||
Vacuum inch H2O |
Compressor
|
dB(A) |
|||||||||
| 3~ 50/60 Hz IP55 insulation material class F | |||||||||||
| I | 3BA96207AT66 | 50 | 14.75 | 200D… 240D | 345Y…415Y | 38.0D | 22.0Y | -212 | 253 | 70 | 320 |
| I | 3BA96207AT66 | 60 | 16.90 | 220D… 250D | 415Y…460Y | 38.0D | 22.0Y | -217 | 212 | 74 | 320 |
| I | 3BA96207AT66 | 87 | 25.50 | 345D… 415D | 39.5D | -204 | 120 | 84 | 320 | ||
| J | 3BA96207AT86 | 50 | 20.10 | 200D… 240D | 345Y…415Y | 53.0D | 31.0Y | -212 | 357 | 70 | 370 |
| J | 3BA96207AT86 | 60 | 23.20 | 220D… 250D | 415Y…460Y | 53.0D | 30.5Y | -217 | 325 | 74 | 370 |
| J | 3BA96207AT86 | 87 | 34.80 | 345D… 415D | 51.5D | -204 | 253 | 84 | 370 | ||



