Model Features
- Cooler running, outboard bearing provides maintenance-free operation
- Environmentally friendly oil-free technology
- Extremely quiet operation
- All motors are standard TEFC with Class F insulation, UL recognized, CE Compliant
- Explosion-Proof motors available
- Custom construction blowers are available
- Rugged die cast aluminum construction
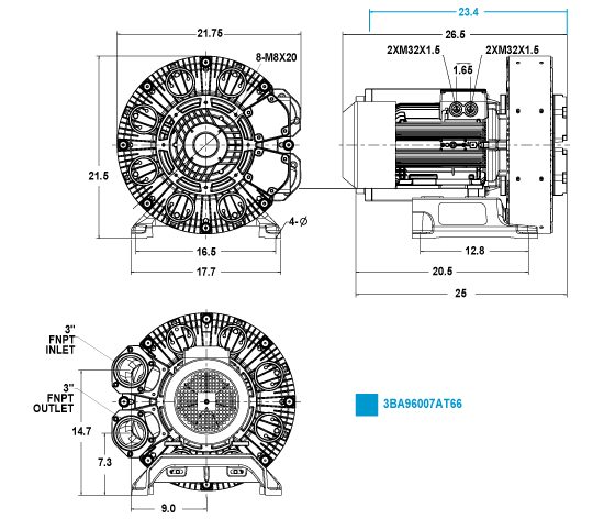
Selection & Ordering Data - Type 3BA9600
Curve
|
Order
|
Hz |
HP |
Input
|
Input
|
Permissible total differential pressure2 |
Sound pressure level3 |
Weight (lbs.) |
|||
Vacuum inch H2O |
Compressor
|
dB(A) |
|||||||||
| 3~ 50/60 Hz IP55 insulation material class F | |||||||||||
| E | 3BA96007AT56 | 50 | 10.05 | 200D… 240D | 345Y…415Y | 26.0D | 15.0Y | -152 | 132 | 71 | 212 |
| E | 3BA96007AT56 | 60 | 11.50 | 220D… 250D | 415Y…460Y | 26.2D | 15.1Y | -125 | 104 | 75 | 212 |
| E | 3BA96007AT56 | 87 | 17.30 | 345D… 415D | 26.5D | -60 | 36 | 82 | 212 | ||
| F | 3BA96007AT66 | 50 | 14.75 | 200D… 240D | 345Y…415Y | 28.0D | 22.0Y | -152 | 200 | 71 | |
| F | 3BA96007AT66 | 60 | 16.90 | 220D… 250D | 415Y…460Y | 38.0D | 22.0Y | -164 | 176 | 75 | |
| F | 3BA96007AT66 | 87 | 25.5 | 345D… 415D | 39.5D | -168 | 108 | 82 | |||



