Model Features
- Cooler running, outboard bearing provides maintenance-free operation
- Environmentally friendly oil-free technology
- Extremely quiet operation
- All motors are standard TEFC with Class F insulation, UL recognized, CE Compliant
- Explosion-Proof motors available
- Custom construction blowers are available
- Rugged die cast aluminum construction
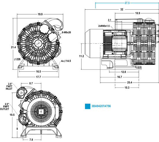
3BA9420 Vacuum/Pressure Regenerative Blower
Curve
|
Order
|
Hz |
HP |
Input
|
Input
|
Permissible total differential pressure2 |
Sound pressure level3 |
Weight (lbs.) |
|||
Vacuum inch H2O |
Compressor
|
dB(A) |
|||||||||
| 3~ 50/60 Hz IP55 insulation material class F | |||||||||||
| C | 3BA94207AT56 | 50 | 10.05 | 200D… 240D | 345Y…415Y | 26.0D | 15.0Y | -212 | 281 | 69 | 278 |
| C | 3BA94207AT56 | 60 | 11.50 | 220D… 250D | 415Y…460Y | 26.2D | 15.1Y | -233 | 245 | 73 | 278 |
| C | 3BA94207AT56 | 100 | 17.30 | 345D… 415D | 25.5D | -121 | 44 | 75 | 278 | ||
| D | 3BA94207AT76 | 50 | 14.75 | 200D… 240D | 345Y…415Y | 38.0D | 22.0Y | -212 | 349 | 69 | 328 |
| D | 3BA94207AT76 | 60 | 16.90 | 220D… 250D | 415Y…460Y | 38.0D | 22.0Y | -233 | 373 | 73 | 328 |
| D | 3BA94207AT76 | 100 | 25.50 | 345D… 415D | 39.5D | -204 | 196 | 75 | 328 | ||



