Model Features
- Cooler running, outboard bearing provides maintenance-free operation
- Environmentally friendly oil-free technology
- Extremely quiet operation
- All motors are standard TEFC with Class F insulation, UL recognized, CE Compliant
- Explosion-Proof motors available
- Custom construction blowers are available
- Rugged die cast aluminum construction
Selection & Ordering Data - Type 3BA7630
| Curve No. |
Order No. |
Hz | HP |
Input
|
Input
|
Permissible total differential pressure2 |
Sound pressure level3 |
Weight (lbs.) |
|||
Vacuum inch H2O |
Compressor
|
dB(A) |
|||||||||
| 3~ 50/60 Hz IP55 insulation material class F | |||||||||||
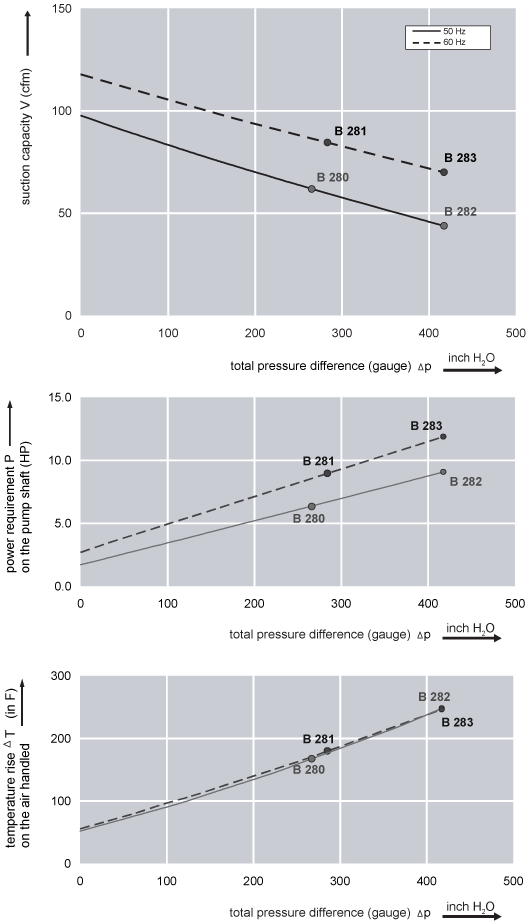
| B 280 | 3BA7630-0AT56 | 50 | 7.4 | 200D… 240D | 345Y…415Y | 19.9D | 11.5Y | -237 | 265 | 72 | 189 |
| B 281 | 3BA7630-0AT56 | 60 | 8.4 | 200D… 240D | 345Y…415Y | 21.0D | 12.0Y | -241 | 281 | 76 | 189 |
| B 282 | 3BA7630-0AT66 | 50 | 10.05 | 200D… 240D | 345Y…415Y | 29.0D | 16.7Y | -293 | 418 | 72 | 189 |
| B 283 | 3BA7630-0AT66 | 60 | 11.52 | 220D… 250D | 415Y…460Y | 27.5D | 15Y | -281 | 418 | 76 | 189 |
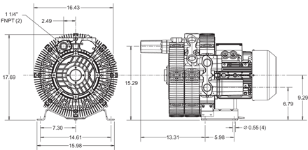
Dimensions
Relief valve:
VC51Z (Vacuum)
PC51Z (Pressure)
Filter:
ATF-125-1337
(Vacuum)
AFS-20-125-10
(Pressure)



