Model Features
- Cooler running, outboard bearing provides maintenance-free operation
- Environmentally friendly oil-free technology
- Extremely quiet operation
- All motors are standard TEFC with Class F insulation, UL recognized, CE Compliant
- Explosion-Proof motors available
- Custom construction blowers are available
- Rugged die cast aluminum construction
Selection & Ordering Data - Type 3BA7620
| Curve No. |
Order No. |
Hz | HP |
Input
|
Input
|
Permissible total differential pressure2 |
Sound pressure level3 |
Weight (lbs.) |
|||
Vacuum inch H2O |
Compressor
|
dB(A) |
|||||||||
| 3~ 50/60 Hz IP55 insulation material class F | |||||||||||
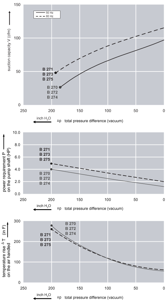
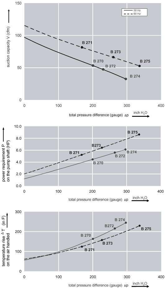
| B 270 | 3BA7620-0AT36 | 50 | 4.42 | 200D… 240D | 345Y…415Y | 13D | 7.5Y | -200 | 201 | 67 | 106 |
| B 271 | 3BA7620-0AT36 | 60 | 5.09 | 220D… 250D | 415Y…460Y | 13.5D | 7.8Y | -200 | 169 | 71 | 106 |
| B 272 | 3BA7620-0AT46 | 50 | 5.4 | 200D… 240D | 345Y…415Y | 15.8D | 9.1Y | -200 | 230 | 67 | 129 |
| B 273 | 3BA7620-0AT46 | 60 | 6.2 | 220D… 250D | 415Y…460Y | 16.3D | 9.5Y | -200 | 260 | 71 | 129 |
| B 274 | 3BA7620-0AT56 | 50 | 7.37 | 200D… 240D | 345Y…415Y | 19.9D | 11.5Y | -200 | 297 | 68 | 143 |
| B 275 | 3BA7620-0AT56 | 60 | 8.84 | 220D… 250D | 415Y…460Y | 22.5D | 12.6Y | -200 | 337 | 72 | 143 |
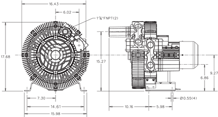
Dimensions
Relief valve:
VC51Z (Vacuum)
PC51Z (Pressure)
Filter:
ATF-125-1337
(Vacuum)
AFS-20-125-10
(Pressure)



