Model Features
- Cooler running, outboard bearing provides maintenance-free operation
- Environmentally friendly oil-free technology
- Extremely quiet operation
- All motors are standard TEFC with Class F insulation, UL recognized, CE Compliant
- Explosion-Proof motors available
- Custom construction blowers are available
- Rugged die cast aluminum construction
Selection & Ordering Data - Type 3BA7220
Curve
|
Order No. |
Hz | HP |
Input
|
Input
|
Permissible total differential pressure2 |
Sound pressure level3 |
Weight (lbs.) |
|||
Vacuum inch H2O |
Compressor
|
dB(A) |
|||||||||
| 3~ 50/60 Hz IP55 insulation material class F | |||||||||||
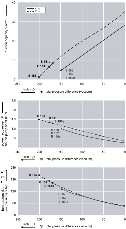
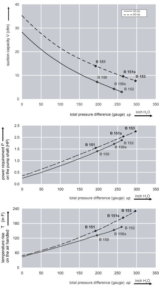
| A 150 | 3BA7220-0AT26 | 50 | 1.09 | 200D… 240D | 345Y…415Y | 4D | 2.3Y | -149 | 197 | 58 | 53 |
| A 151 | 3BA7220-0AT26 | 60 | 1.26 | 220D… 250D | 415Y…460Y | 4D | 2.3Y | -177 | 193 | 62 | 53 |
| A 152 | 3BA7220-0AT56 | 50 | 2.01 | 200D… 240D | 345Y…415Y | 7.5D | 4.3Y | -149 | 261 | 58 | 62 |
| A 153 | 3BA7220-0AT56 | 60 | 2.75 | 220D… 250D | 415Y…460Y | 7.5D | 4.4Y | -201 | 297 | 62 | 62 |
| 1~ 50/60 Hz IP55 with attached capacitor for continuous operation | |||||||||||
| A 150s | 3BA7220-0AS75 | 50 | 2.0 | 115 | 230 | 19.4 | 9.7 | -149 | 241 | 58 | 66 |
| A 151s | 3BA7220-0AS75 | 60 | 2.35 | 115 | 230 | 20.6 | 10.3 | -169 | 265 | 62 | 66 |
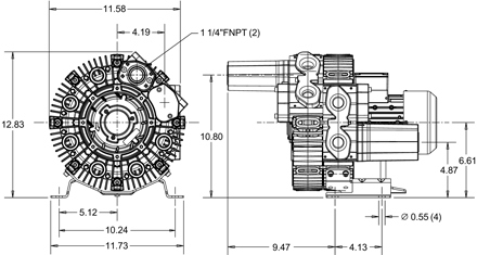
Dimensions
Relief valve:
VC51Z (Vacuum)
PC51Z (Pressure)
Filter:
ATF-125-1337
(Vacuum)
AFS-20-125-10
(Pressure)



