Model Features
- Cooler running, outboard bearing provides maintenance-free operation
- Environmentally friendly oil-free technology
- Extremely quiet operation
- All motors are standard TEFC with Class F insulation, UL recognized, CE Compliant
- Explosion-Proof motors available
- Custom construction blowers are available
- Rugged die cast aluminum construction
Selection & Ordering Data - Type 3BA1930
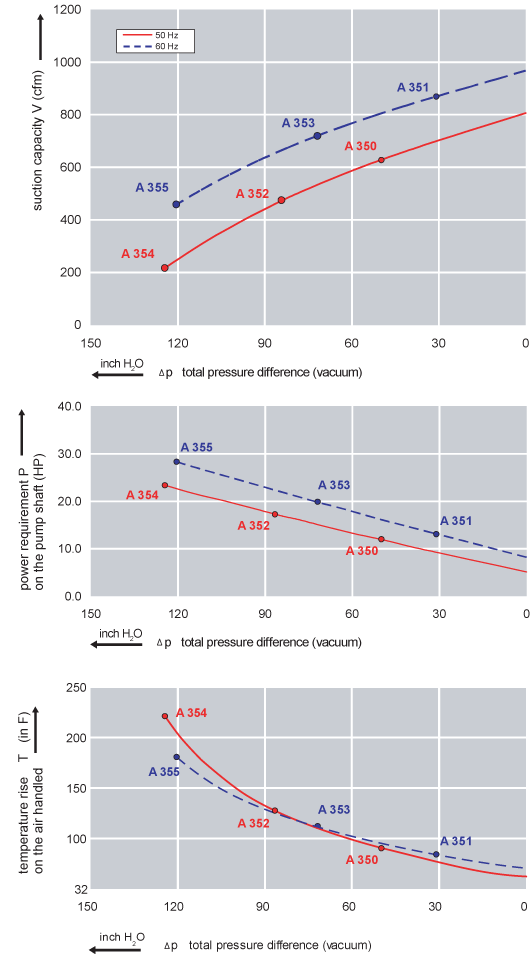
| Curve No. |
Order No. |
Hz | HP |
Input
|
Input
|
Permissible total differential pressure2 |
Sound pressure level3 |
Weight (lbs.) |
|||
Vacuum inch H2O |
Compressor
|
dB(A) |
|||||||||
| 3~ 50/60 Hz IP55 insulation material class F | |||||||||||
| A 350 | 3BA1930-7AT06 | 50 | 11.39 | 200D… 240D | 345Y…415Y | 33D | 19.1Y | -48 | 44 | 75 | 268 |
| A 351 | 3BA1930-7AT06 | 60 | 13.14 | 220D… 250D | 415Y…460Y | 33D | 19.1Y | -32 | 28 | 80 | 268 |
| A 352 | 3BA1930-7AT16 | 50 | 16.75 | 200D… 240D | 345Y…415Y | 48.5D | 28Y | -84 | 76 | 75 | 298 |
| A 353 | 3BA1930-7AT16 | 60 | 19.43 | 220D… 250D | 415Y…460Y | 50D | 29Y | -72 | 64 | 80 | 298 |
| A 354 | 3BA1930-7AT36 | 50 | 24.80 | 200D… 240D | 345Y…415Y | 64.5D | 37Y | -124 | 128 | 75 | 318 |
| A 355 | 3BA1930-7AT36 | 60 | 28.54 | 220D… 250D | 415Y…460Y | 68D | 39Y | -120 | 112 | 80 | 318 |
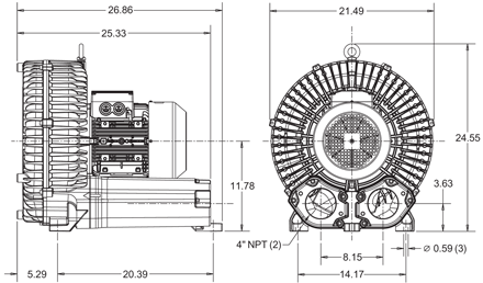
Dimensions
Relief valve:
VC100Z (Vacuum)
PC100Z (Pressure)
Filter:
ATF-400-21138
(Vacuum)
AFS-234-400-10
(Pressure)



