Model Features
- Cooler running, outboard bearing provides maintenance-free operation
- Environmentally friendly oil-free technology
- Extremely quiet operation
- All motors are standard TEFC with Class F insulation, UL recognized, CE Compliant
- Explosion-Proof motors available
- Custom construction blowers are available
- Rugged die cast aluminum construction
Selection & Ordering Data - Type 3BA1900
| Curve No. |
Order No. |
Hz | HP |
Input
|
Input
|
Permissible total differential pressure2 |
Sound pressure level3 |
Weight (lbs.) |
|||
Vacuum inch H2O |
Compressor
|
dB(A) |
|||||||||
| 3~ 50/60 Hz IP55 insulation material class F | |||||||||||
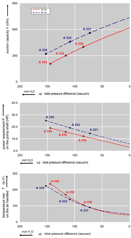
| A 330 | 3BA1900-7AT06 | 50 | 10.72 | 200D… 240D | 345Y…415Y | 31.5D | 18.2Y | -76 | 76 | 74 | 265 |
| A 331 | 3BA1900-7AT06 | 60 | 12.06 | 220D… 250D | 415Y…460Y | 31.5D | 18.2Y | -60 | 56 | 79 | 265 |
| A 332 | 3BA1900-7AT16 | 50 | 16.76 | 200D… 240D | 345Y…415Y | 48.5D | 28Y | -116 | 112 | 74 | 295 |
| A 333 | 3BA1900-7AT16 | 60 | 19.44 | 220D… 250D | 415Y…460Y | 50.0D | 29Y | -108 | 104 | 79 | 295 |
| A 334 | 3BA1900-7AT36 | 50 | 24.80 | 200D… 240D | 345Y…415Y | 64.5D | 37Y | -145 | 185 | 74 | 314 |
| A 335 | 3BA1900-7AT36 | 60 | 28.55 | 220D… 250D | 415Y…460Y | 68.0D | 39Y | -153 | 169 | 79 | 314 |
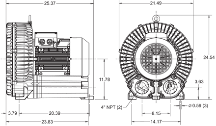
Dimensions
Relief valve:
VC100Z (Vacuum)
PC100Z (Pressure)
Filter:
ATF-400-21138
(Vacuum)
AFS-234-400-10
(Pressure)



