Model Features
- Cooler running, outboard bearing provides maintenance-free operation
- Environmentally friendly oil-free technology
- Extremely quiet operation
- All motors are standard TEFC with Class F insulation, UL recognized, CE Compliant
- Explosion-Proof motors available
- Custom construction blowers are available
- Rugged die cast aluminum construction
Selection & Ordering Data - Type 3BA1840
| Curve No. |
Order No. |
Hz | HP |
Input
|
Input
|
Permissible total differential pressure2 |
Sound pressure level3 |
Weight (lbs.) |
|||
Vacuum inch H2O |
Compressor
|
dB(A) |
|||||||||
| 3~ 50/60 Hz IP55 insulation material class F | |||||||||||
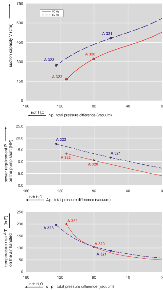
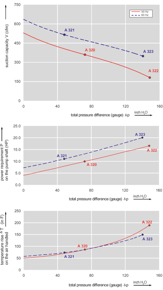
| A 320 | 3BA1840-7AT26 | 50 | 10.05 | 200D… 240D | 345Y…415Y | 29.0D | 16.7Y | -80 | 72 | 74 | 352 |
| A 321 | 3BA1840-7AT26 | 60 | 11.52 | 220D… 250D | 415Y…460Y | 27.5D | 15.0Y | -60 | 48 | 78 | 352 |
| A 322 | 3BA1840-7AT36 | 50 | 14.74 | 200D… 240D | 345Y…415Y | 48.5D | 28.0Y | -112 | 149 | 74 | 441 |
| A 323 | 3BA1840-7AT36 | 60 | 16.98 | 220D… 250D | 415Y…460Y | 50.2D | 29.0Y | -124 | 141 | 78 | 441 |
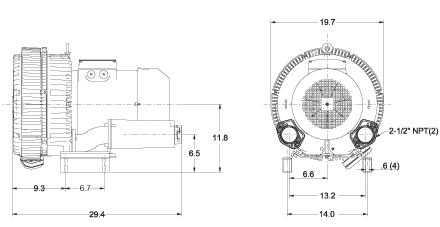
Dimensions
Relief valve:
VC91Z (Vacuum)
PC91Z (Pressure)
Filter:
ATF-300-21138
(Vacuum)
AFS-230-300-10
(Pressure)



