Model Features
- Cooler running, outboard bearing provides maintenance-free operation
- Environmentally friendly oil-free technology
- Extremely quiet operation
- All motors are standard TEFC with Class F insulation, UL recognized, CE Compliant
- Explosion-Proof motors available
- Custom construction blowers are available
- Rugged die cast aluminum construction
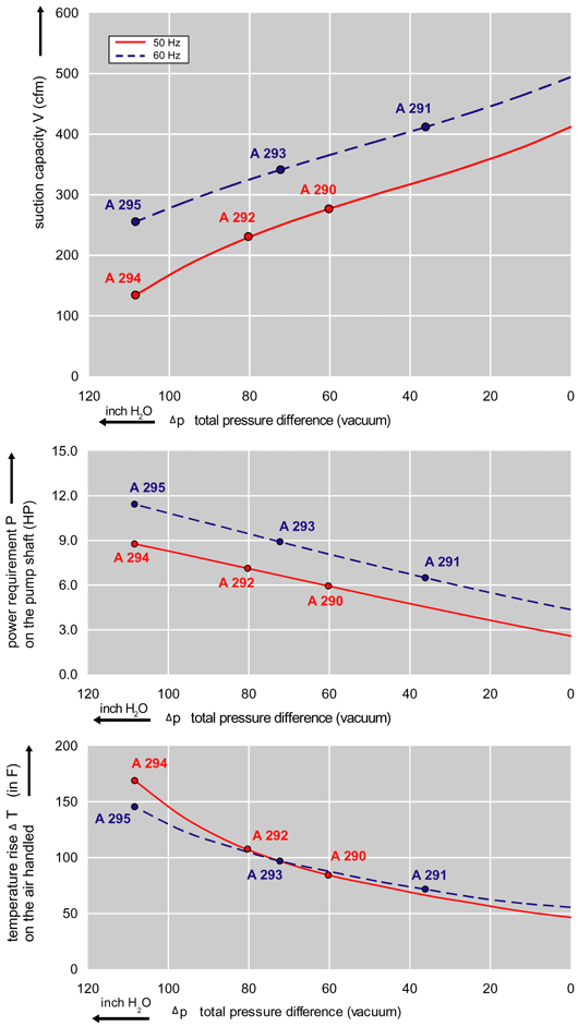
Selection & Ordering Data - Type 3BA1830
Curve
|
Order
|
Hz |
HP |
Input
|
Input
|
Permissible total differential pressure2 |
Sound pressure level3 |
Weight (lbs.) |
|||
Vacuum inch H2O |
Compressor
|
dB(A) |
|||||||||
| 3~ 50/60 Hz IP55 insulation material class F | |||||||||||
| A 290 | 3BA1830-7AT06 | 50 | 5.36 | 200D… 240D | 345Y…415Y | 15.6D | 9Y | -60 | 56 | 70 | 139 |
| A 291 | 3BA1830-7AT06 | 60 | 6.16 | 220D… 250D | 415Y…460Y | 15.2D | 8.5Y | -36 | 36 | 74 | 139 |
| A 292 | 3BA1830-7AT16 | 50 | 7.37 | 200D… 240D | 345Y…415Y | 23D | 13.3Y | -80 | 76 | 70 | 154 |
| A 293 | 3BA1830-7AT16 | 60 | 8.44 | 220D… 250D | 415Y…460Y | 23D | 13.3Y | -72 | 72 | 74 | 154 |
| A 294 | 3BA1830-7AT26 | 50 | 10.05 | 200D… 240D | 345Y…415Y | 29D | 16.7Y | -108 | 104 | 70 | 160 |
| A 295 | 3BA1830-7AT26 | 60 | 11.52 | 220D… 250D | 415Y…460Y | 27.5D | 15Y | -108 | 104 | 74 | 160 |
| 3~ 50/60 Hz IP55 insulation material class F | |||||||||||
| A 290 | 3BA1830-7AT05 | 50 | 5.36 | 500D | 7.5D | -60 | 56 | 70 | 139 | ||
| A 291 | 3BA1830-7AT05 | 60 | 6.17 | 575D | 7.6D | -36 | 36 | 74 | 139 | ||
| A 292 | 3BA1830-7AT15 | 50 | 7.37 | 500D | 10.5D | -80 | 76 | 70 | 154 | ||
| A 293 | 3BA1830-7AT15 | 60 | 8.45 | 575D | 10.4D | -72 | 72 | 74 | 154 | ||
| A 294 | 3BA1830-7AT25 | 50 | 10.05 | 500D | 13D | -108 | 104 | 70 | 160 | ||
| A 295 | 3BA1830-7AT25 | 60 | 11.53 | 575D | 13.6D | -108 | 104 | 74 | 160 | ||
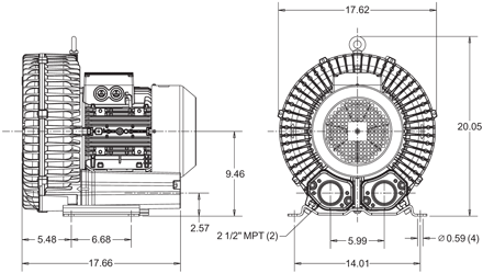
Dimensions
Relief valve:
VC91Z (Vacuum)
PC91Z (Pressure)
Filter:
ATF-300-21138
(Vacuum)
AFS-230-300-10
(Pressure)



