Model Features
- Cooler running, outboard bearing provides maintenance-free operation
- Environmentally friendly oil-free technology
- Extremely quiet operation
- All motors are standard TEFC with Class F insulation, UL recognized, CE Compliant
- Explosion-Proof motors available
- Custom construction blowers are available
- Rugged die cast aluminum construction
Selection & Ordering Data - Type 3BA1810
| Curve No. |
Order No. |
Hz | HP |
Input
|
Input
|
Permissible total differential pressure2 |
Sound pressure level3 |
Weight (lbs.) |
|||
Vacuum inch H2O |
Compressor
|
dB(A) |
|||||||||
| 3~ 50/60 Hz IP55 insulation material class F | |||||||||||
| A 280 | 3BA1810-7AT16 | 50 | 7.37 | 200D… 240D | 345Y…415Y | 23D | 13.3Y | -100 | 96 | 74 | 250 |
| A 281 | 3BA1810-7AT16 | 60 | 8.44 | 220D… 250D | 415Y…460Y | 20D | 11.2Y | -68 | 64 | 78 | 250 |
| A 282 | 3BA1810-7AT26 | 50 | 10.05 | 200D… 240D | 345Y…415Y | 29D | 16.7Y | -161 | 161 | 74 | 260 |
| A 283 | 3BA1810-7AT26 | 60 | 11.52 | 220D… 250D | 415Y…460Y | 27.5D | 15Y | -145 | 132 | 78 | 260 |
| A 284 | 3BA1810-7AT36 | 50 | 14.74 | 200D… 240D | 345Y…415Y | 48.5D | 28Y | -173 | 241 | 74 | 316 |
| A 285 | 3BA1810-7AT36 | 60 | 16.88 | 220D… 250D | 415Y…460Y | 50.2D | 29Y | -185 | 241 | 78 | 316 |
| A 286 | 3BA1810-7AT46 | 50 | 20.11 | 200D… 240D | 345Y…415Y | 56.5D | 32.5Y | -185 | 271 | 74 | 341 |
| A 287 | 3BA1810-7AT46 | 60 | 23.18 | 220D… 250D | 415Y…460Y | 60D | 34.5Y | -197 | 301 | 78 | 341 |
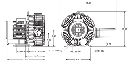
Dimensions
Relief valve:
VC81Z(Vacuum)
PC81Z (Pressure)
Filter:
ATF-250-15124/1
(Vacuum)
AFS-230-250-10
(Pressure)



