Model Features
- Cooler running, outboard bearing provides maintenance-free operation
- Environmentally friendly oil-free technology
- Extremely quiet operation
- All motors are standard TEFC with Class F insulation, UL recognized, CE Compliant
- Explosion-Proof motors available
- Custom construction blowers are available
- Rugged die cast aluminum construction
Selection & Ordering Data - Type 3BA1800
| Curve No. |
Order No. |
Hz | HP |
Input
|
Input
|
Permissible total differential pressure2 |
Sound pressure level3 |
Weight (lbs.) |
|||
Vacuum inch H2O |
Compressor
|
dB(A) |
|||||||||
| 3~ 50/60 Hz IP55 insulation material class F | |||||||||||
| A 270 | 3BA1800-7AT06 | 50 | 5.36 | 200D… 240D | 345Y…415Y | 15.6D | 9Y | -80 | 80 | 74 | 128 |
| A 271 | 3BA1800-7AT06 | 60 | 6.16 | 220D… 250D | 415Y…460Y | 15.2D | 8.5Y | -64 | 64 | 70 | 128 |
| A 272 | 3BA1800-7AT16 | 50 | 7.37 | 200D… 240D | 345Y…415Y | 23D | 13.3Y | -120 | 120 | 70 | 143 |
| A 273 | 3BA1800-7AT16 | 60 | 8.44 | 220D… 250D | 415Y…460Y | 23D | 13.3Y | -120 | 112 | 74 | 143 |
| A 274 | 3BA1800-7AT26 | 50 | 10.05 | 200D… 240D | 345Y…415Y | 29D | 16.7Y | -128 | 173 | 70 | 150 |
| A 275 | 3BA1800-7AT26 | 60 | 11.52 | 220D… 250D | 415Y…460Y | 27.5D | 15Y | -141 | 161 | 74 | 150 |
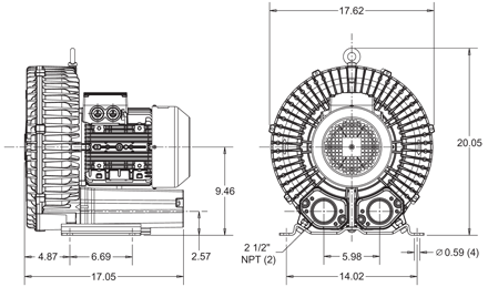
Dimensions
Relief valve:
VC81Z (Vacuum)
PC81Z (Pressure)
Filter:
ATF-250-15124/1
(Vacuum)
AFS-230-250-10
(Pressure)



