Model Features
- Cooler running, outboard bearing provides maintenance-free operation
- Environmentally friendly oil-free technology
- Extremely quiet operation
- All motors are standard TEFC with Class F insulation, UL recognized, CE Compliant
- Explosion-Proof motors available
- Custom construction blowers are available
- Rugged die cast aluminum construction
Selection & Ordering Data - Type 3BA1600
| Curve No. |
Order No. |
Hz | HP |
Input
|
Input
|
Permissible total differential pressure2 |
Sound pressure level3 |
Weight (lbs.) |
|||
Vacuum inch H2O |
Compressor
|
dB(A) |
|||||||||
| 3~ 50/60 Hz IP55 insulation material class F | |||||||||||
| A 220 | 3BA1600-7AT06 | 50 | 2.15 | 200D… 240D | 345Y…415Y | 8.5D | 4.9Y | -64 | 60 | 69 | 57 |
| A 221 | 3BA1600-7AT06 | 60 | 2.7 | 220D… 250D | 415Y…460Y | 7.5D | 4.4Y | -64 | 60 | 72 | 57 |
| A 222 | 3BA1600-7AT16 | 50 | 2.95 | 200D… 240D | 345Y…415Y | 9.7D | 5.6Y | -85 | 70 | 70 | 64 |
| A 223 | 3BA1600-7AT16 | 60 | 3.42 | 220D… 250D | 415Y…460Y | 10.3D | 6.0Y | -85 | 76 | 73 | 64 |
| A 224 | 3BA1600-7AT26 | 50 | 4.02 | 200D… 240D | 345Y…415Y | 12.5D | 7.2Y | -104 | 108 | 70 | 75 |
| A 225 | 3BA1600-7AT26 | 60 | 4.62 | 220D… 250D | 415Y…460Y | 12.6D | 7.3Y | -96 | 92 | 73 | 75 |
| A 225 | 3BA1600-7AT25 | 60 | 4.60 | 575 | 5.8Y | -96 | 92 | 73 | 75 | ||
| A 226 | 3BA1600-7AT36 | 50 | 5.36 | 200D… 240D | 345Y…415Y | 17.3D | 10Y | -116 | 145 | 70 | 93 |
| A 227 | 3BA1600-7AT36 | 60 | 6.16 | 220D… 250D | 415Y…460Y | 18D | 10.4Y | -128 | 124 | 73 | 93 |
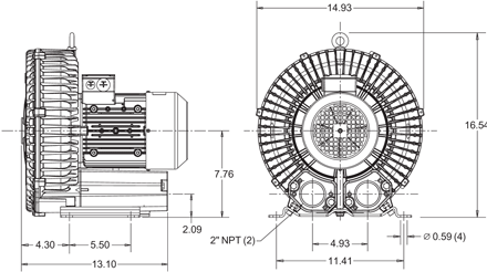
Dimensions
Relief valve:
VC61Z (Vacuum)
PC61Z (Pressure)
Filter:
ATF-200-15124/1
(Vacuum)
AFS-30-200-10
(Pressure)



