Model Features
- Cooler running, outboard bearing provides maintenance-free operation
- Environmentally friendly oil-free technology
- Extremely quiet operation
- All motors are standard TEFC with Class F insulation, UL recognized, CE Compliant
- Explosion-Proof motors available
- Custom construction blowers are available
- Rugged die cast aluminum construction
Selection & Ordering Data - Type 3BA1530
Curve
|
Order No. |
Hz | HP |
Input
|
Input
|
Permissible total differential pressure2 |
Sound pressure level3 |
Weight (lbs.) |
|||
Vacuum inch H2O |
Compressor
|
dB(A) |
|||||||||
| 3~ 50/60 Hz IP55 insulation material class F | |||||||||||
| A 210 | 3BA1530-7AT16 | 50 | 1.74 | 200D… 240D | 345Y…415Y | 5.7D | 3.3Y | -48 | 44 | 65 | 46 |
| A 211 | 3BA1530-7AT16 | 60 | 2.01 | 220D… 250D | 415Y…460Y | 5.7D | 3.3Y | -36 | 32 | 71 | 46 |
| A 192 | 3BA1530-7AT26 | 50 | 2.15 | 200D… 240D | 345Y…415Y | 7.5D | 4.3Y | -64 | 60 | 65 | 49 |
| A 193 | 3BA1530-7AT26 | 60 | 2.75 | 220D… 250D | 415Y…460Y | 7.6D | 4.4Y | -64 | 60 | 71 | 49 |
| A 194 | 3BA1530-7AT36 | 50 | 2.95 | 200D… 240D | 345Y…415Y | 9.7D | 5.6Y | -88 | 92 | 65 | 57 |
| A 195 | 3BA1530-7AT36 | 60 | 3.42 | 220D… 250D | 415Y…460Y | 10.3D | 6.0Y | -104 | 100 | 71 | 57 |
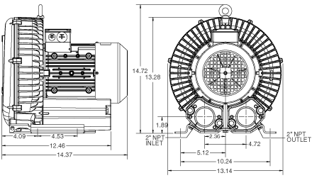
Dimensions
Relief valve:
VC61Z (Vacuum)
PC61Z (Pressure)
Filter:
ATF-200-15124/1
(Vacuum)
AFS-30-200-10
(Pressure)



