Model Features
- Cooler running, outboard bearing provides maintenance-free operation
- Environmentally friendly oil-free technology
- Extremely quiet operation
- All motors are standard TEFC with Class F insulation, UL recognized, CE Compliant
- Explosion-Proof motors available
- Custom construction blowers are available
- Rugged die cast aluminum construction
Selection & Ordering Data - Type 3BA1500
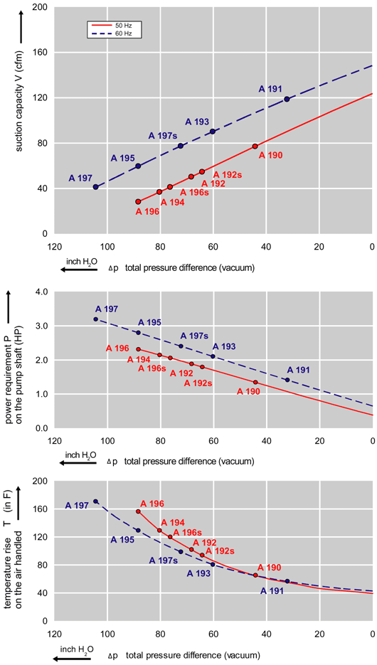
| Curve No. |
Order No. |
Hz | HP |
Input
|
Input
|
Permissible total differential pressure2 |
Sound pressure level3 |
Weight (lbs.) |
|||
Vacuum inch H2O |
Compressor
|
dB(A) |
|||||||||
| 3~ 50/60 Hz IP55 insulation material class F | |||||||||||
| A 190 | 3BA1500-7AT06 | 50 | 1.14 | 200D… 240D | 345Y…415Y | 4.2D | 2.4Y | -44 | 40 | 64 | 40 |
| A 191 | 3BA1500-7AT06 | 60 | 1.27 | 220D… 250D | 415Y…460Y | 4.35D | 2.5Y | -32 | 28 | 70 | 40 |
| A 192 | 3BA1500-7AT16 | 50 | 1.74 | 200D… 240D | 345Y…415Y | 5.7D | 3.3Y | -68 | 68 | 64 | 44 |
| A 193 | 3BA1500-7AT16 | 60 | 2.0 | 220D… 250D | 415Y…460Y | 5.5D | 3.2Y | -60 | 56 | 70 | 44 |
| A 194 | 3BA1500-7AT26 | 50 | 2.14 | 200D… 240D | 345Y…415Y | 7.5D | 4.3Y | -80 | 76 | 64 | 46 |
| A 195 | 3BA1500-7AT26 | 60 | 2.75 | 220D… 250D | 415Y…460Y | 7.5D | 4.4Y | -88 | 84 | 70 | 46 |
| A 196 | 3BA1500-7AT36 | 50 | 2.95 | 200D… 240D | 345Y…415Y | 9.7D | 5.6Y | -88 | 108 | 64 | 55 |
| A 197 | 3BA1500-7AT36 | 60 | 3.42 | 220D… 250D | 415Y…460Y | 9.0D | 5.3Y | -104 | 116 | 70 | 55 |
| 1~ 50/60 Hz IP55 with attached capacitor for continuous operation | |||||||||||
| A 196s | 3BA1500-7AS35 | 50 | 2.0 | 115 | 230 | 22 | 11 | -76 | 80 | 64 | 48 |
| A 197s | 3BA1500-7AS35 | 60 | 2.35 | 115 | 230 | 24 | 12 | -72 | 72 | 70 | 48 |
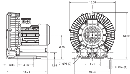
Dimensions
Relief valve:
VC61Z (Vacuum)
PC61Z (Pressure)
Filter:
ATF-200-15124/1
(Vacuum)
AFS-30-200-10
(Pressure)



