Model Features
- Cooler running, outboard bearing provides maintenance-free operation
- Environmentally friendly oil-free technology
- Extremely quiet operation
- All motors are standard TEFC with Class F insulation, UL recognized, CE Compliant
- Explosion-Proof motors available
- Custom construction blowers are available
- Rugged die cast aluminum construction
Selection & Ordering Data - Type 3BA1430
| Curve No. |
Order No. |
Hz | HP |
Input
|
Input
|
Permissible total differential pressure2 |
Sound pressure level3 |
Weight (lbs.) |
|||
Vacuum inch H2O |
Compressor
|
dB(A) |
|||||||||
| 3~ 50/60 Hz IP55 insulation material class F | |||||||||||
| A 180 | 3BA1430-7AT06 | 50 | 0.93 | 200D… 240D | 345Y…415Y | 3.8D | 2.2Y | -28 | 28 | 64 | 30 |
| A 181 | 3BA1430-7AT06 | 60 | 1.11 | 220D… 275D | 380Y…480Y | 3.75D | 2.15Y | -24 | 20 | 65 | 30 |
| A 182 | 3BA1430-7AT16 | 50 | 1.13 | 200D… 240D | 345Y…415Y | 4.2D | 2.4Y | -44 | 40 | 64 | 35 |
| A 183 | 3BA1430-7AT16 | 60 | 1.27 | 220D… 275D | 380Y…480Y | 4.0D | 2.3Y | -36 | 32 | 65 | 35 |
| A 184 | 3BA1430-7AT26 | 50 | 1.74 | 200D… 240D | 345Y…415Y | 5.7D | 3.3Y | -72 | 72 | 64 | 37 |
| A 185 | 3BA1430-7AT26 | 60 | 2.01 | 220D… 275D | 380Y…480Y | 5.7D | 3.3Y | -72 | 68 | 65 | 37 |
| 1~ 50/60 Hz IP55 with attached capacitor for continuous operation | |||||||||||
| A 172s | 3BA1430-7AS24 | 50 | 1.47 | 100/200 | 16.8 | 8.4 | -60 | 56 | 63 | 35 | |
| A 173s | 3BA1430-7AS24 | 60 | 1.74 | 100/200 | 17.2 | 8.6 | -56 | 52 | 64 | 35 | |
| A 172s | 3BA1430-7AS25 | 50 | 1.47 | 115/230 | 13.0 | 6.5 | -60 | 56 | 63 | 37 | |
| A 173s | 3BA1430-7AS25 | 60 | 1.74 | 115/230 | 14.0 | 7.0 | -56 | 52 | 64 | 37 | |
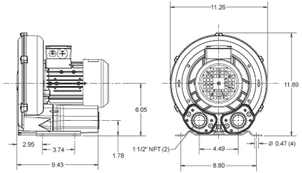
Dimensions
Relief valve:
VC51Z (Vacuum)
PC51Z (Pressure)
Filter:
ATF-150-1337
(Vacuum)
AFS-20-150-10
(Pressure)
Model Features

