Model Features
- Cooler running, outboard bearing provides maintenance-free operation
- Environmentally friendly oil-free technology
- Extremely quiet operation
- All motors are standard TEFC with Class F insulation, UL recognized, CE Compliant
- Explosion-Proof motors available
- Custom construction blowers are available
- Rugged die cast aluminum construction
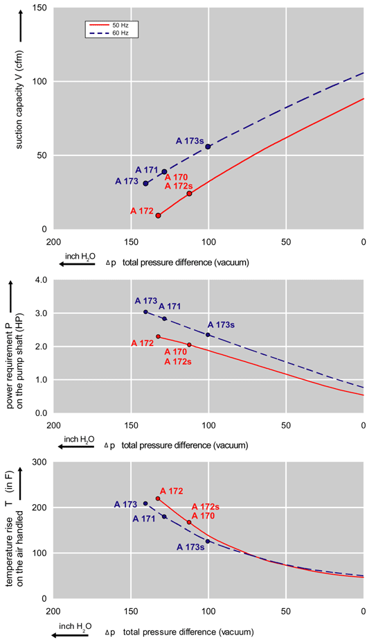
Selection & Ordering Data - Type 3BA1410
| Curve No. |
Order No. |
Hz | HP |
Input
|
Input
|
Permissible total differential pressure2 |
Sound pressure level3 |
Weight (lbs.) |
|||
Vacuum inch H2O |
Compressor
|
dB(A) |
|||||||||
| 3~ 50/60 Hz IP55 insulation material class F | |||||||||||
| A 170 | 3BA1410-7AT36 | 50 | 2.1 | 200D… 240D | 345Y…415Y | 7.5D | 4.3Y | -112 | 112 | 66 | 53 |
| A 171 | 3BA1410-7AT36 | 60 | 2.75 | 220D… 250D | 415Y…460Y | 7.5D | 4.4Y | -128 | 124 | 69 | 53 |
| A 172 | 3BA1410-7AT46 | 50 | 2.95 | 200D… 240D | 345Y…415Y | 9.7D | 5.6Y | -132 | 177 | 66 | 59 |
| A 173 | 3BA1410-7AT46 | 60 | 3.42 | 220D… 250D | 415Y…460Y | 9.0D | 5.3Y | -141 | 169 | 69 | 59 |
| 1~ 50/60 Hz IP55 with attached capacitor for continuous operation | |||||||||||
| A 172s | 3BA1410-7AS45 | 50 | 2.0 | 115 | 230 | 22 | 11 | -112 | 104 | 66 | 59 |
| A 173s | 3BA1410-7AS45 | 60 | 2.35 | 115 | 230 | 24 | 12 | -100 | 92 | 69 | 59 |
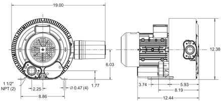
Dimensions
Relief valve:
VC51Z (Vacuum)
PC51Z (Pressure)
Filter:
ATF-150-1337
(Vacuum)
AFS-20-150-10
(Pressure)



