Model Features
- Cooler running, outboard bearing provides maintenance-free operation
- Environmentally friendly oil-free technology
- Extremely quiet operation
- All motors are standard TEFC with Class F insulation, UL recognized, CE Compliant
- Explosion-Proof motors available
- Custom construction blowers are available
- Rugged die cast aluminum construction
Selection & Ordering Data - Type 3BA1400
| Curve No. |
Order No. |
Hz | HP |
Input
|
Input
|
Permissible total differential pressure2 |
Sound pressure level3 |
Weight (lbs.) |
|||
Vacuum inch H2O |
Compressor
|
dB(A) |
|||||||||
| 3~ 50/60 Hz IP55 insulation material class F | |||||||||||
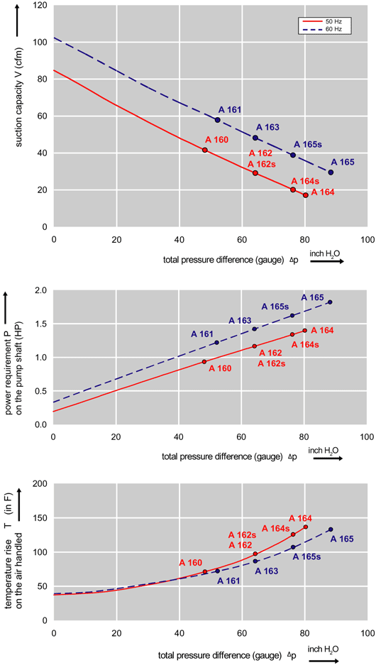
| A 160 | 3BA1400-7AT06 | 50 | 0.94 | 200D… 240D | 345Y…415Y | 3.8D | 2.2Y | -48 | 48 | 63 | 29 |
| A 161 | 3BA1400-7AT06 | 60 | 1.11 | 220D… 250D | 415Y…460Y | 3.75D | 2.15Y | -52 | 52 | 64 | 19 |
| A 162 | 3BA1400-7AT16 | 50 | 1.14 | 200D… 240D | 345Y…415Y | 4.2D | 2.4Y | -64 | 64 | 63 | 33 |
| A 163 | 3BA1400-7AT16 | 60 | 1.27 | 220D… 250D | 415Y…460Y | 4.0D | 2.3Y | -64 | 64 | 64 | 33 |
| A 164 | 3BA1400-7AT26 | 50 | 1.74 | 200D… 240D | 345Y…415Y | 5.7D | 3.3Y | -68 | 80 | 63 | 35 |
| A 165 | 3BA1400-7AT26 | 60 | 2.01 | 220D… 250D | 415Y…460Y | 5.5D | 3.2Y | -84 | 88 | 64 | 35 |
| 1~ 50/60 Hz IP55 with capacitor for continuous operation | |||||||||||
| A 164s | 3BA1400-7AS25 | 50 | 1.47 | 115 | 230 | 13 | 6.5 | -60 | 76 | 63 | 35 |
| A 165s | 3BA1400-7AS25 | 60 | 1.74 | 115 | 230 | 14 | 7.0 | -72 | 76 | 64 | 35 |
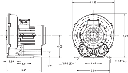
Dimensions
Relief valve:
VC51Z (Vacuum)
PC51Z (Pressure)
Filter:
ATF-150-1337
(Vacuum)
AFS-20-150-10
(Pressure)



