Model Features
- Cooler running, outboard bearing provides maintenance-free operation
- Environmentally friendly oil-free technology
- Extremely quiet operation
- All motors are standard TEFC with Class F insulation, UL recognized, CE Compliant
- Explosion-Proof motors available
- Custom construction blowers are available
- Rugged die cast aluminum construction
Selection & Ordering Data - Type 3BA1330
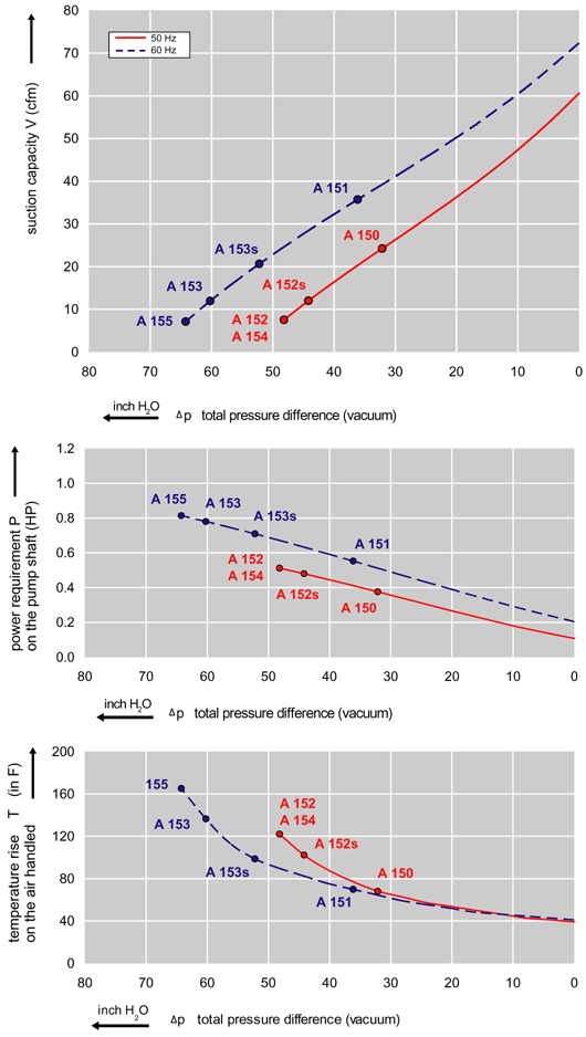
| Curve No. |
Order No. |
Hz | HP |
Input
|
Input
|
Permissible total differential pressure2 |
Sound pressure level3 |
Weight (lbs.) |
|||
Vacuum inch H2O |
Compressor
|
dB(A) |
|||||||||
| 3~ 50/60 Hz IP55 insulation material class F | |||||||||||
| A 150 | 3BA1330-7AT06 | 50 | 0.34 | 200D… 240D | 345Y…415Y | 2.1D | 1.2Y | -32 | 28 | 54 | 23 |
| A 151 | 3BA1330-7AT06 | 60 | 0.39 | 220D… 250D | 415Y…460Y | 1.74D | 1.0Y | -36 | 32 | 57 | 19 |
| A 152 | 3BA1330-7AT16 | 50 | 0.54 | 200D… 240D | 345Y…415Y | 2.6D | 1.5Y | -48 | 52 | 54 | 23 |
| A 153 | 3BA1330-7AT16 | 60 | 0.67 | 220D… 250D | 415Y…460Y | 2.6D | 1.5Y | -60 | 64 | 57 | 23 |
| A 154 | 3BA1330-7AT26 | 50 | 0.94 | 200D… 240D | 345Y…415Y | 3.8D | 2.2Y | -48 | 56 | 54 | 25 |
| A 155 | 3BA1330-7AT26 | 60 | 1.11 | 220D… 250D | 415Y…460Y | 3.75D | 2.15Y | -64 | 72 | 57 | 25 |
| 3~ 50/60 Hz IP55 insulation material class F | |||||||||||
| A 130 | 3BA1330-7AT06 | 50 | 0.34 | 500D | 0.72D | -32 | 28 | 54 | 23 | ||
| A 131 | 3BA1330-7AT06 | 60 | 0.39 | 575D | 0.76D | -36 | 32 | 57 | 19 | ||
| A 132 | 3BA1330-7AT16 | 50 | 0.54 | 500D | 1.0D | -48 | 52 | 54 | 23 | ||
| A 133 | 3BA1330-7AT16 | 60 | 0.67 | 575D | 1.1D | -60 | 64 | 57 | 23 | ||
| A 132 | 3BA1330-7AT16 | 50 | 0.94 | 500D | 1.88D | -48 | 56 | 54 | 25 | ||
| A 133 | 3BA1330-7AT16 | 60 | 1.11 | 575D | 1.76D | -64 | 72 | 57 | 25 | ||
| 1~ 50/60 Hz IP55 with attached capacitor for continuous operation | |||||||||||
| A 152s | 3BA1330-7AS15 | 50 | 0.50 | 115 | 230 | 5.4 | 2.7 | -44 | 44 | 54 | 23 |
| A 152s | 3BA1330-7AS15 | 60 | 0.60 | 115 | 230 | 6.0 | 3.0 | -52 | 56 | 57 | 23 |
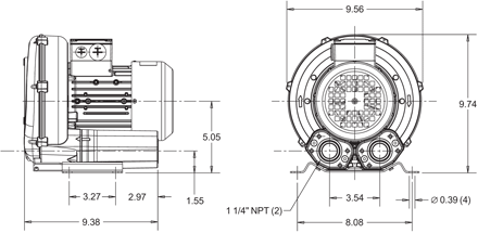
Dimensions
Relief valve:
VC51Z (Vacuum)
PC51Z (Pressure)
Filter:
ATF-125-1337
(Vacuum)
AFS-20-125-10
(Pressure)



