Model Features
- Cooler running, outboard bearing provides maintenance-free operation
- Environmentally friendly oil-free technology
- Extremely quiet operation
- All motors are standard TEFC with Class F insulation, UL recognized, CE Compliant
- Explosion-Proof motors available
- Custom construction blowers are available
- Rugged die cast aluminum construction
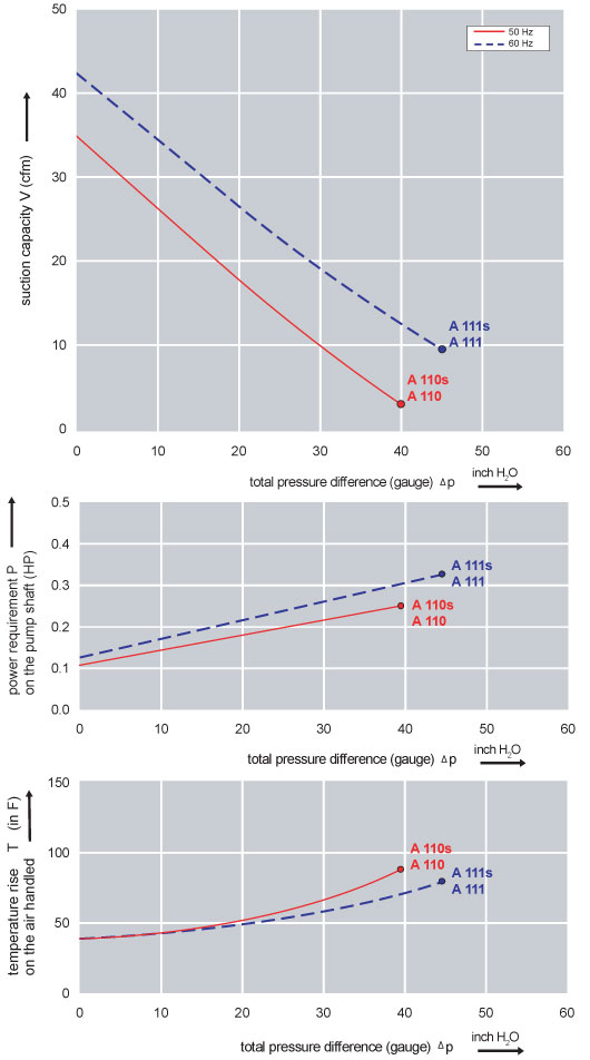
Selection & Ordering Data - Type 3BA1200
Curve No. |
Order No. |
Hz |
HP |
Input Voltage (V) |
Input Current (A) |
Permissible total differential pressure2 |
Sound pressure level3 |
Weight (lbs.) |
|||
Vacuum inch H2O |
Compressor inch H2O |
dB(A) |
|||||||||
| 3~ 50/60 Hz IP55 insulation material class F | |||||||||||
| A 110 | 3BA1200-7AT06 | 50 | 0.33 | 200D… 240D | 345Y…415Y | 1.6D | 0.7Y | -40 | 40 | 50 | 15 |
| A 111 | 3BA1200-7AT06 | 60 | 0.38 | 220D… 250D | 415Y…460Y | 1.3D | 0.9Y | -45 | 45 | 53 | 15 |
| 1~ 50/60 Hz IP55 with attached capacitor for continuous operation | |||||||||||
| A 110s | 3BA1200-7AS05 | 50 | 0.33 | 115 | 230 | 3.5D | 1.7Y | -40 | 40 | 50 | 15 |
| A 111s | 3BA1200-7AS05 | 60 | 0.38 | 115 | 230 | 5.0D | 2.8Y | -45 | 45 | 53 | 15 |
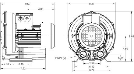
Dimensions
Relief valve:
VC51Z (Vacuum)
PC51Z (Pressure)
Filter:
ATF-125-1337
(Vacuum)
AFS-20-125-10
(Pressure)



